○泉州南消防組合石油コンビナート等災害防止法施行規則
平成25年3月7日
泉州南消防組合規則第26号
(趣旨)
第1条 この規則は、石油コンビナート等災害防止法(昭和50年法律第84号。以下「法」という。)、石油コンビナート等災害防止法施行令(昭和51年政令第129号。以下「令」という。)及び石油コンビナート等における特定防災施設等及び防災組織等に関する省令(昭和51年自治省令第17号)の施行に関し法第4条及び第39条に基づき必要な事項を定めるものとする。
(特定事業者の氏名等の変更の届出)
第2条 法第2条第9号に規定する特定事業者は、その氏名(法人にあってはその名称又は代表者の氏名)又は住所に変更があったときは、氏名等変更届出書(様式第1号)により遅滞なく泉州南消防組合管理者(以下「管理者」という。)に届け出なければならない。
(特定事業者の地位の承継の届出)
第3条 法第2条第9号に規定する特定事業者から特定事業所を譲り受け、又は借り受けたとき、及び法第14条第2項に規定する相続人又は法人以外の特定事業者について相続又は合併があったときは、相続人(相続人が2人以上ある場合において、その全員の同意により承継すべき相続人を選定したときは、その者)又は合併後存続する法人若しくは合併により設立した法人は、地位承継届出書(様式第2号)により遅滞なく管理者に届け出なければならない。
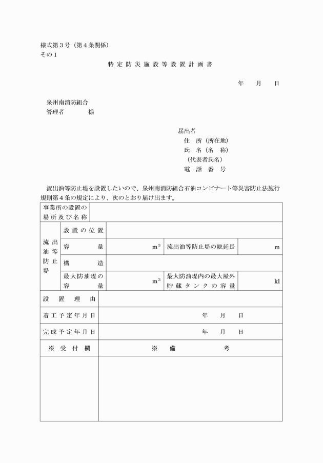
(特定防災施設等設置計画の届出)
第4条 法第15条第1項に規定する特定防災施設等を設置しようとする特定事業者は、特定防災施設等設置計画書(様式第3号その1からその3まで)により管理者に届け出なければならない。
(検査の不適合通知)
第5条 管理者は、法第15条第2項の規定による特定防災施設等の検査結果が同条第1項の基準に適合していないと認めるときは、特定防災施設等不適合通知書(様式第4号)により届出者に通知するものとする。
(特定防災施設等検査済証の再交付)
第6条 法第15条第2項の規定により特定防災施設等の検査を受けた者は、特定防災施設等検査済証を亡失し、滅失し、汚損し、又は破損したときは、管理者に対し、特定防災施設等検査済証再交付申請書(様式第5号)によりその再交付を申請することができる。
2 特定防災施設等検査済証を汚損し、又は破損したことにより前項の申請をするときは、申請書に当該特定防災施設等検査済証を添えて申請しなければならない。
3 特定防災施設等検査済証を亡失してその再交付を受けた者は、亡失した特定防災施設等検査済証を発見したときは、これを速やかに管理者に提出しなければならない。
(代替措置の申請等)
第8条 令第16条第1項の規定による代替措置の認定を受けようとする特定事業者は、防災資機材等代替措置申請書(様式第8号)により管理者に申請しなければならない。
(異常現象の通報及び届出)
第9条 特定事業者は、法第23条第1項に規定する異常現象の通報に際し、一般加入電話のほか消防機関との専用電話等により、災害発生時における迅速な通報の確保に努めなければならない。
2 特定事業所においてその事業の実施を統括管理する者は、異常現象が発生したときは速やかに異常現象発生届出書(様式第11号)に必要な資料を添付し、管理者に届け出なければならない。
(防災資機材等の点検、整備等に係る届出)
第10条 特定事業者は、防災資機材等が点検、整備等のために使用不能若しくは構内道路の工事等により防災上支障となるときは、防災資機材等点検整備又は構内道路工事等届出書(様式第12号)により管理者に届け出なければならない。
(申請書等の提出部数)
第11条 法及びこの規則による申請又は届出書の提出部数は、法及びこの規則に定めのあるものを除き、正副2通とする。
(その他)
第12条 この規則の施行に関し必要な事項は、消防長が定める。
附則
(施行期日)
1 この規則は、平成25年4月1日から施行する。
(経過措置)
2 この規則の施行の際、泉佐野市危険物規制規則(平成6年泉佐野市規則第12号)及び解散前の阪南岬消防組合において、同等の規定等によりされた処分、手続その他の行為は、それぞれこの規則の規定によりなされたものとみなす。
附則(平成28年2月15日規則第1号)
この規則は、平成28年4月1日から施行する。
附則(令和3年3月8日規則第1号)抄
(施行期日)
1 この規則は、公布の日から施行する。
(経過措置)
2 この規則の施行の際、第1条第2項を除く改正前の様式は、当分の間、改正後の様式によるものとみなす。この場合においては、押印することを要しない。
附則(令和7年12月24日規則第12号)
(施行期日)
1 この規則は、公布の日から施行する。
(経過措置)
2 この規則の施行の際、現にある改正前の様式は、改正後の様式によるものとみなす。



















